HOME
AUTOCAD MECHANICAL
Lab Unit Design
Early Days AutoCAD Examples
Africa
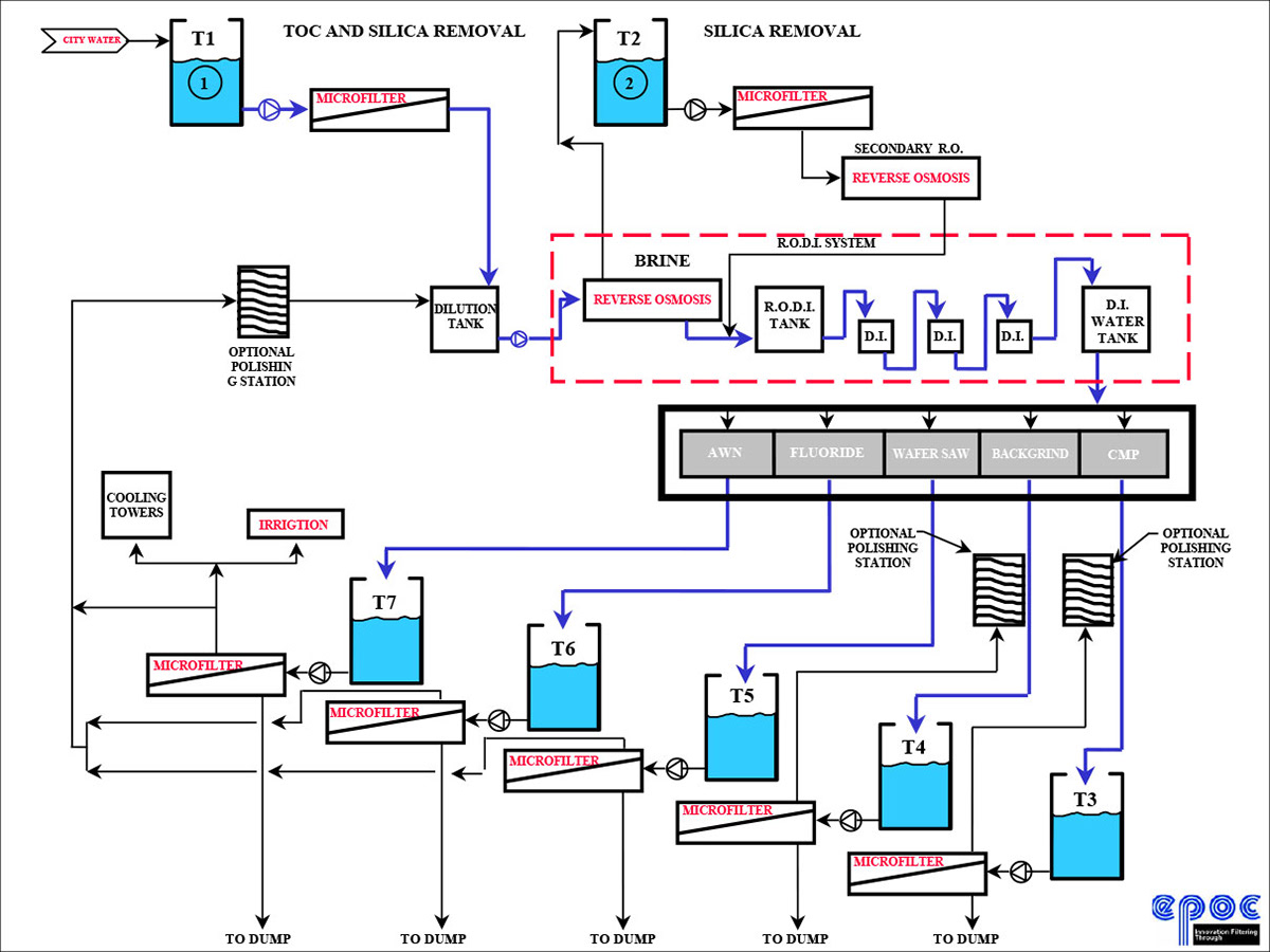
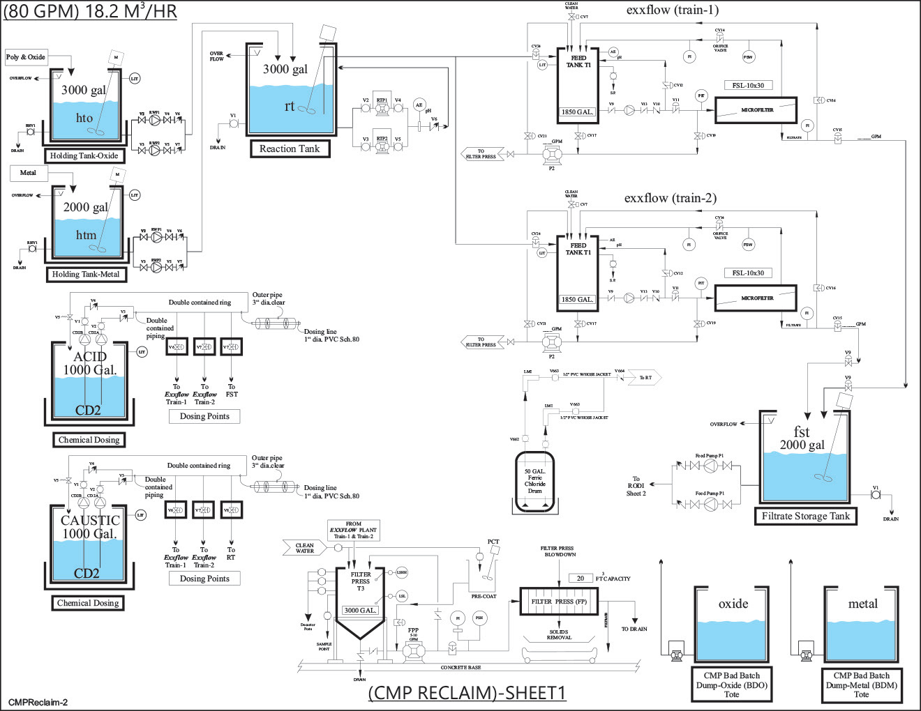
Water Treatment Plant
AUTODESK INVENTOR
British Virgin Islands Desalination Plant
Clean-In-Place System
City of Costa Mesa RO
Test Unit
Reverse Osmosis Water System
Industrial Waste Water Filtration Systems
AUTOCAD & TWINMOTION
Starbucks
MECHANICAL DESIGNS
Facility Designed in AutoCAD 3D and Twinmotion
Water Treatment Plants
Utility Pole App Prototyping
Industrial Processing Facility Test Renders
Conceptual Designs
Municipal Reverse Osmosis System
360 VIRTUAL TOURS - TWINMOTION
Garden Bridge
House Frame Adding Walls & Ceilings
House Interior No Furniture
House Exterior Views
House Framing Tour
Office 360
UNREAL ENGINE
Walkthrough
Architectural - Commenrcial
Application Design
Application Prototyping
CERTIFICATES
Udemy Training
Piping Design
Graphics Design
Autodesk Inventor
AutoCAD
Solidworks
GRAPHIC DESIGNS
Electronic PDF Brochure
Tradeshows Management
Signage
CD Roms
Technical Illustrations
Websites
3D MODELING
Early 3D Work
3D Work Compilation
2D/3D Industrial Designs
3D PRINTING
Business Card Holder
Trophy
Dart Board
3D Printed Plane Plane
Distribution Models
Transmission
Table Center Piece
3D Printed Printer Assembly Drawings
3D Printed Printer Model
3D Printer & Printing
RESOURCES
HOBBIES
Soaring
Soaring Club Memories
Offroad Buggy
Drone
Photography -Places
Photography - Animals
Photography - Flowers
Photography
YOUTUBE CHANNEL
CONTACT ME
Portfolio
www.asquires.com
HOME
AUTOCAD MECHANICAL
Lab Unit Design
Early Days AutoCAD Examples
Africa
Water Treatment Plant
AUTODESK INVENTOR
British Virgin Islands Desalination Plant
Clean-In-Place System
City of Costa Mesa RO
Test Unit
Reverse Osmosis Water System
Industrial Waste Water Filtration Systems
AUTOCAD & TWINMOTION
Starbucks
MECHANICAL DESIGNS
Facility Designed in AutoCAD 3D and Twinmotion
Water Treatment Plants
Utility Pole App Prototyping
Industrial Processing Facility Test Renders
Conceptual Designs
Municipal Reverse Osmosis System
360 VIRTUAL TOURS - TWINMOTION
Garden Bridge
House Frame Adding Walls & Ceilings
House Interior No Furniture
House Exterior Views
House Framing Tour
Office 360
UNREAL ENGINE
Walkthrough
Architectural - Commenrcial
Application Design
Application Prototyping
CERTIFICATES
Udemy Training
Piping Design
Graphics Design
Autodesk Inventor
AutoCAD
Solidworks
GRAPHIC DESIGNS
Electronic PDF Brochure
Tradeshows Management
Signage
CD Roms
Technical Illustrations
Websites
3D MODELING
Early 3D Work
3D Work Compilation
2D/3D Industrial Designs
3D PRINTING
Business Card Holder
Trophy
Dart Board
3D Printed Plane Plane
Distribution Models
Transmission
Table Center Piece
3D Printed Printer Assembly Drawings
3D Printed Printer Model
3D Printer & Printing
RESOURCES
HOBBIES
Soaring
Soaring Club Memories
Offroad Buggy
Drone
Photography -Places
Photography - Animals
Photography - Flowers
Photography
YOUTUBE CHANNEL
CONTACT ME
Technical Illustrations
Corel Draw Product marketing illustrations
Slide Presentation - CREATED IN COREL DRAW
From Corel Draw Illustration to 3D Model
10' System Front View
10' System Technical Brochure
You may also like
Tradeshows Management
1997
CD Roms
2019
Signage
2019
Websites
2019
Electronic PDF Brochure
1996
↑
Back to Top